Digital Thermometeren 35m laang mat Spullmaschinn a Display

GETCR
974,77 $

HT

Liwwerung an 5 bis 8 Wochen

Moossberäich

-40 ... 150 ° C

Richtegkeet

± 0,5% vun der Spannung ± 1 Ziffer

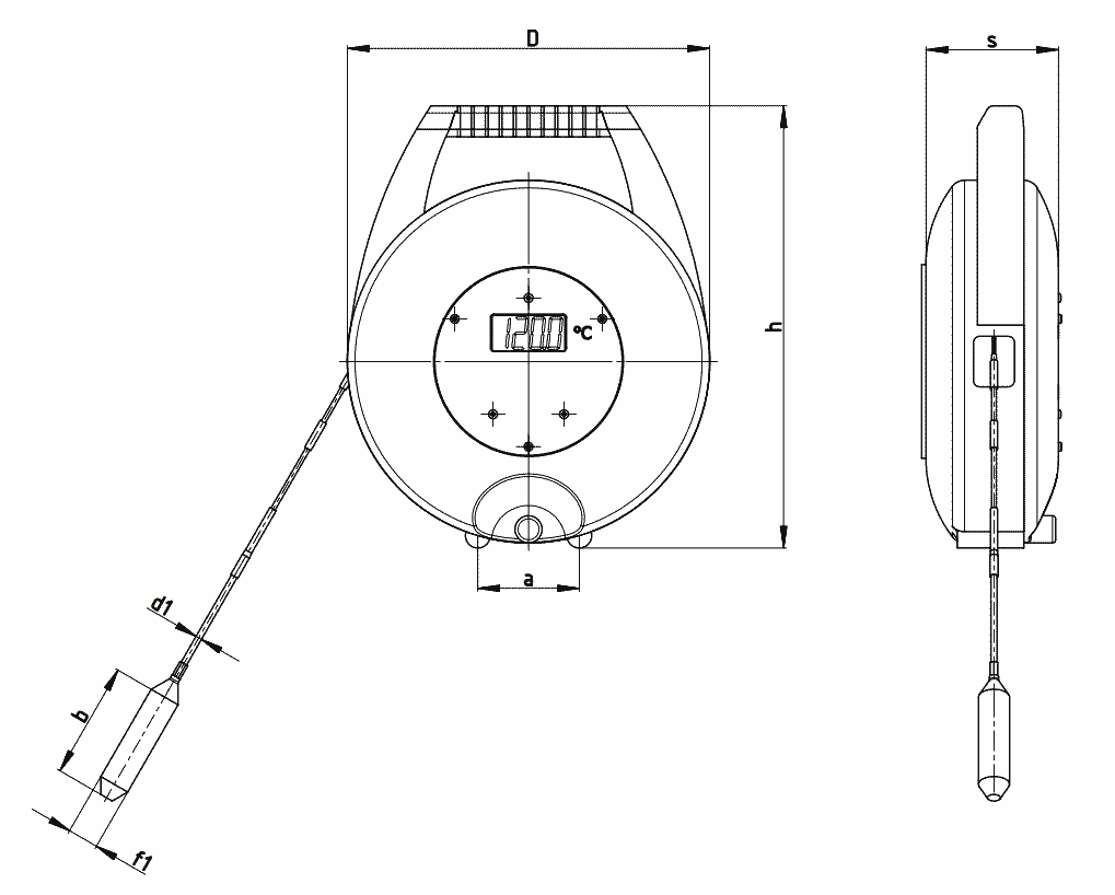
Dimensiounen

234 mm / 285 x 85,5 mm

(B / H x D)

Schutzrohr

Tauchröhre, Ø 20 mm

Kabellänge

35m

Autonomie

10 Joer

Quantitéit

Sécher Bezuelen

All Bezuelunge si sécher an approuvéiert.

Beschte Präisgarantie

Kontaktéiert eis fir Är Bezuelterm ze definéieren.

+ 33-233-611-670

Englesch - Franséisch - Däitsch - Spuenesch

International Versand

EXPRESS ODER STANDARD Liwwerung.

Méiglech Uwendungsberäicher Digital Thermometeren

Bulk Cargo Temperatur Iwwerwaachung, zB:

 Rohmaterial (Tubak, Kakao, Kotteng a Jute)

Uelegprodukter (Somen an Nëss)

Aluminiumpulver, Äerzer a Kuelen

All d'Produkter déi ënner dem generesche Begrëff "Kuch" gruppéiert kënne ginn, wéi Expeller, Granulat an Extraktiounen

Vill Produkter si selbstheizend an / oder selwer entzündend als Bulk Cargo. Dësen autonome Prozess kann zu der Zerstéierung vun der Fracht féieren, wa Kontrollmoossnamen net mat Zäit geholl ginn.

Prinzipiell musse all Wueren, déi ënner dem IMDG Code falen, Kapitel 2.4 Klass 4.2, temperaturmonitéiert sinn, fir den entstanen Selbstheizungsprozess a gudder Zäit z'entdecken.

'Beschreiwung

De Moossprinzip

D'DiTemp Serie Digital Thermometer funktionnéieren an engem diskrete Zäitprozess mat engem Moosszyklus deen 3 Sekonnen dauert. Also kann de Benotzer déi aktuell Temperatur liesen och beim Passéieren. E blinkend Aktivitéitssymbol um Bildschierm weist op korrekt Operatioun vum Instrument während dem Moosszyklus un.

Unitéit uweisen

Den DiTemp huet en einfach ze liesen LCD Display.

Mechanesch Konstruktioun

D'DiTemp Serie Instrumenter hunn eng robust mechanesch Assemblée a si fir industriell Uwendungen entwéckelt a benotzt an haarde Ëmfeldbedingungen. Immunitéit géint elektromagnéitesch Amëschen entsprécht den Ufuerderunge vun aktuellen Industriestandarden.

Kontinuéierlech Selbsttest

Nom Power-Up mécht d'Instrument en interne Selbsttest deen e Scheck vum verbonne Sensor enthält. Automatesch diagnostesch Routinen iwwerwaachen dauernd d'Sensorsignal an e futtisse Sensor gëtt iwwer d'Display Eenheet uginn. De Mikroprozessor test kontinuéierlech d'Plazibilitéit vum Sensorsignal. Am Fall vun engem Feeler ginn d'Resultater um Bildschierm als Feelercode ugewisen.

Digital Thermometer 35m Längt Mat Winder An Display

 Maacht (mm) f1 b d1 a D h s
 ETC 20 75 4 65.5 234 253.3 85.5
GETCR
10000 Produkter
Zesummenhang Produkter (8 aner Produkter an der selwechter Kategorie)

Neie Kont